Академия наук наградила выпускников МИЭТа за применение модулярной арифметики в микроэлектронике
Екатерина Балака и Дмитрий Тельпухов, молодые специалисты зеленоградского Института проблем проектирования в микроэлектронике РАН, получили медали и денежные премии в 50 тысяч рублей за исследование в области информатики, вычислительной техники и автоматизации. Свою награду они посвятили памяти своего наставника, крупного ученого-математика Вильжана Амербаева.
Президиум РАН по итогам конкурса 2015 года наградил молодых учёных ИППМ РАН за научно-исследовательскую работу «Разработка микроэлектронных устройств цифровой обработки сигналов с применением математического аппарата системы остаточных классов», как сообщила Российская академия наук.
Суть исследования пояснил Zelenograd.ru Дмитрий Тельпухов, кандидат технических наук, заведующий отделом методологии проектирования интегральных схем ИППМ РАН: «В настоящее время все вычислительные средства выполнены на двоичных технологиях, где всё считается в двоичной системе (нули и единицы), а мы использовали систему остаточных классов, где гораздо больше диапазон и, соответственно, больше возможностей параллелизма для вычислений.По сути, этим мы значительно повысили вычислительную мощность устройств».
По мнению молодого ученого, результаты исследования, патент на которое был получен в 2014 году, можно применить в обычных компьютерах и в суперкомпьютерах, но в ограниченном спектре задач — так, модулярная арифметика с применением остаточных классов может ускорить процессы, в которых много арифметических вычислений. «На текущей элементной базе, используя такую систему счисления и различные дополнительные методы, можно распараллелить вычисления и решать быстрее определённый класс задач», — отметил он.
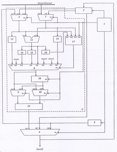
![]() |
| Вычислительный элемент бимодульной модулярной арифметики — описанная в патенте полезная модель с устройством управления, ОЗУ, ПЗУ и мультиплексором, в состав которой введён специальный арифметический узел (схема его работы) |
В отличие от денежной премии Правительства Москвы, недавно присуждённой за наукоёмкие разработки молодым ученым МИЭТа — медаль РАН в ИППМ воспринимают как академическую награду, признание заслуг молодёжи. Дмитрий Тельпухов заявил, что хотел бы посвятить награду своему научному руководителю профессору Амербаеву, родоначальнику направления модулярной арифметики, который ушёл из жизни в прошлом году.
«Мы пытаемся нести его флаг»
«Наш отдел методологии проектирования интегральных схем существует в институте довольно давно, модулярной арифметикой мы занимаемся лет семь. — Рассказал учёный Zelenograd.ru. — Огромный вклад в развитие этого направления в России, да и во всём мире внёс Вильжан Мавлютинович Амербаев, его перу принадлежит много трудов и монографий, получивших международное признание. Мы пытаемся нести его флаг дальше и по мере сил развивать идеи, заложенные им ещё в пятидесятые годы.
![]() |
| Вильжан Мавлютинович Амербаев. Фото: miet.ru |
Я сам попал в институт благодаря Амербаеву — поначалу он был моим руководителем практики на предприятии, которую я проходил в компании „Анкад“. Он заинтересовал меня модулярной арифметикой и предложил перейти на работу в институт. С тех пор я тут и работаю — был стажёром, потом исследователем, потом младшим научным сотрудником, и так постепенно дорос до заведующего отделом. У нас молодой отдел — больше 50% молодых учёных: аспиранты, студенты проходят практику. Это политика института, наш директор очень поощряет молодежь, потому что это рабочие руки и новые идеи».
Дмитрий Тельпухов родился в 1986 году, закончил в 2009 году МИЭТ, факультет «Микроприборы и Техническая Кибернетика». Автор и соавтор более 30 научных работ. Екатерина Балака — кандидат технических наук, старший научный сотрудник отдела методологии проектирования интегральных схем ИППМ РАН — родилась в 1987 году, закончила тот же факультет МИЭТа в 2010 году, также является автором и соавтором более 30 научных работ. Область научных интересов обоих — схемотехника и проектирование цифровых схем, цифровая обработка сигналов, модулярные вычислительные структуры.
ИППМ РАН создан в Зеленограде в 1986 году для выполнения фундаментальных научных исследований и прикладных разработок в области проектирования нано- и микроэлектронных систем и устройств. В числе сотрудников два члена РАН, восемь докторов наук и 16 кандидатов наук.
Вильжан Мавлютинович Амербаев был главным научным сотрудником института с 2007 года, совмещая научную деятельность с работой на кафедре вычислительной техники МИЭТ. Российский и казахский математик, доктор технических наук (1971 год), профессор вычислительной математики, академик Национальной академии наук Казахстана. В 1991 году он стал лауреатом Государственной премии СССР по науке и технике. Также был ведущим научным сотрудником зеленоградского НПЦ «Спурт» и главным специалистом зеленоградской фирмы «Анкад». Сфера научных интересов — проблемы обращения интегральных преобразований, защита информации методами кодирования, цифровая обработка. Читал курсы «Высшая математика» и «Математические основы защиты информации».
Источник: Zelenograd.ru

